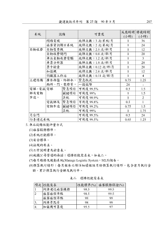
Page 213 - 捷運技術 第25期
P. 213
¥uÞ g Þ
cd · 3
> >
¼,@^ K5X K#cd#
GÔ½¥¾¢cd K5X K#cd#
-úÁ -¿À K5X
K#Å#
-úÁÂÆ K5X
K#Å#
9 -úÁ@Ã K5X
K#Å#
ÀUÄ3 K5X
K#Å#
À K5X
K#Å#
Å6 K5X
K#Å#
Æj3~t9 K5X
K#Å#
ÇÈÉÊ ºËÌÍ Û àá#¹
γ Æ +g)0 /Ï
@% @$ @% àáó 3
%
%&@- SÐó 3 %
Ò)0 Ñ 3
%
@$%& àáó 3
%
@-Ò) SÐó 3
%
Ñ 3 %
QÆ 3
%
Ó ¾cd 3
%
9·ÄÔHÏÐ
GÔjkIÕ0
cdÄIÕ0
÷¬IÕ0
Öò 0
~tVW×&«0
4S ØX eÄ« -«0
C fg&ìícd & !& ' ( )*' ) ¶Ë0
â¡ïÙÚXC ¶ËרÛÜݶ¿ {â¡ïÙÚ ÎÞß ï
à â¡ï à&ï 0
« eÄ«
óK Ä ÄIÕ % GÔjkáM %
B ¾GÔjk
GÔGÕ·
GÔGÕ·
B Õ·
Å6 3

